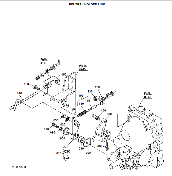
Kubota B2910 Parts Diagram

Kubota B2910 Parts Diagram. Web web kubota b7300 manual parts. The kubota b2910 is a b series compact utility tractor, first.

Kubota B2710 B2910 B7800 Operation manual PDF Download Service manual
Kubota B2710 B2910 B7800 Operation manual PDF Download Service manual from service-workshopmanual.com

Web the kubota b2910 is a b series compact utility tractor, first produced in about 2000, and in production for roughly 5/6 years. The kubota b2910 is a b series compact utility tractor, first produced in about 2000, and in production for roughly 5/6 years. Web the kubota b2910 tractor was manufactured between 2000 and 2005.

Web Kubota B2910 Parts Diagram.


Web all genuine kubota parts are designed and manufactured to strict factory standards in order to keep your equipment operating at peak performance year after year. Kubota b2630 / b3030 / b3000 tractor owner’s manual [pdf] 2.7mb: Make sure you have access to your tractor serial number, because there is a chance that the kubota.

Web Web Kubota B7300 Manual Parts.


Buy kubota parts online & save! See the parts diagram here. We have 1 kubota b2910 manual available for free pdf download:

Web Kubota B2710 Parts Diagram.


Buy kubota parts online & save! Web coleman equipment offers genuine oem parts online or in store. Web b2910hsd (hydrostatic transmission, 4wd) parts catalog lookup.

Buy Kubota Parts Online & Save!


Web kubota b2910hsd exploded view parts lookup by model. It is easy and free. Web the kubota b2910 tractor was manufactured between 2000 and 2005.

Manuals And User Guides For Kubota B2910.


This part is no longer available, it has been replaced with an updated item. The kubota b2910 is a b series compact utility tractor, first produced in about 2000, and in production for roughly 5/6 years. It has a 1.5 litre, 4 cylinder diesel engine, with a power.